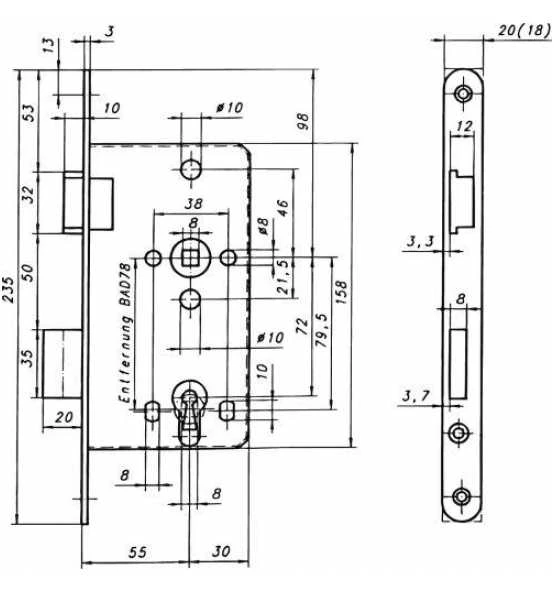
Einsteckschlösser für Badezellentüren, Edelstahl rostfrei
Nach DIN 18251, Klasse 2, Dornmaß: 55 mm, Entfernung: 78 mm, Nuss: 8 mm, Falle und Riegel aus Zinkdruckguss. Stulp: 20 mm – rund, BAD-gelocht, ohne Schließblech.
| Eigenschaften | |
|---|---|
| Stulpbreite: | 20 mm |
| Stulplänge: | 235 mm |
| Dornmaß: | 55 mm |
| Entfernung: | 78 mm |
| Schlossklasse: | Klasse 2 |
| Einsatzbereich: | WC-Tür |
| Farbe: | silber |
| Vierkantnuss: | 8 |












Rezensionen
Es gibt noch keine Rezensionen.