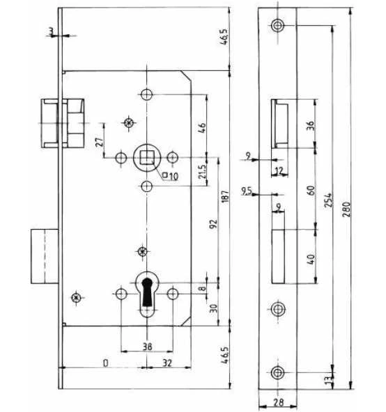
Einsteckschlösser 154 PZW, für stumpfe Haustüren
2-tourig, Dornmaß: 65 mm, Entfernung: 92 mm, Nuss: 10 mm, mit Wechsel, ohne Schließblech, Falle und Riegel glanzverzinkt. Stulp altsilberfarbig lackiert. PZ.
| Eigenschaften | |
|---|---|
| Stulpbreite: | 28 mm |
| Anschlag: | DIN links |
| Einsatzbereich: | Haustür |
| Farbe: | silber |













Rezensionen
Es gibt noch keine Rezensionen.